The Old Car Manual Project brochure gallery

Got to main tocmp index
Go to brochures home page



<<< >>>
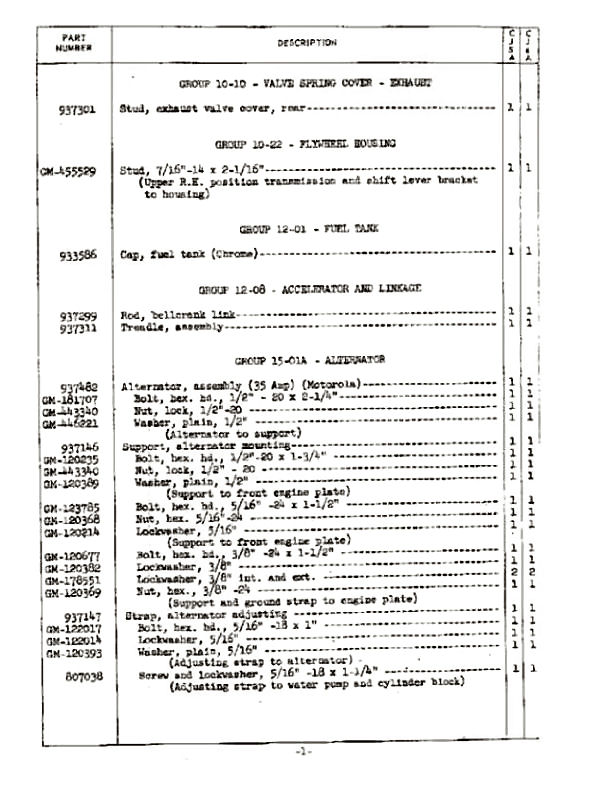
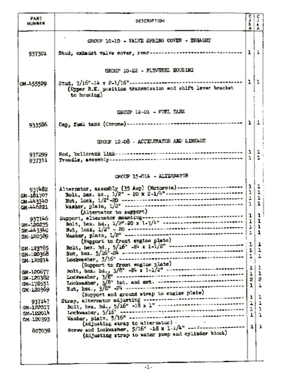
1964 Jeep Tuxedo Park Parts-01


brochures home | how to contribute | privacy policy | oldcarblog | oldcarmagazine | carburetor manuals
Welcome to The Old Car Manual Project's collection of car brochures.
These are all free to view or print. We don't sell any brochures on this site. Please visit our links page if you're looking for literature dealers.

brochures home | how to contribute | privacy policy | oldcarblog | oldcarmagazine | carburetor manuals